FRAISES POUR JOINTS COLLÉS HW Z3 S=12,7 D=47,6X40
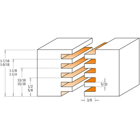
Ces fraises permettent de réaliser, avec la plus grande facilité et précision, des assemblages à tenonmortaise ou à rainure-languette. Sans aucun réglage il est possible de travailler le bois d’épaisseur différente comme indiqué ci-dessous. Le roulement permet d’atteindre une profondeur de coupe jusqu’à 9,5mm. Un guide pour banc sert pour des profondeurs différentes ou bien il est possible d’opter pour un roulement avec diamètre interne de 12,7mm, voir section rappels.



















Avis
Il n’y a pas encore d’avis.